www.yaxin111.com,www.yaxin222.com,www.yaxin333.com

 热线电话:0577-21816666,0577-67996922(fax)   English

产品展示

Products show

电机壳测试台

阀门检测设备

JLT型立式-阀门试验台

产品:
立式JLT系列
规格:
DN15-300
用途:
法兰/焊接/丝扣/卡套等(闸阀/球阀/截止阀等)
材质:
按技术要求选配

口径规格 :
DN15~300,NPS 1 1/2''~12''
压力范围 :
PN1.6~48Mpa,Class150~2500lb
机体材料 :
Q325A
     阀门类型 :
闸阀、球阀、截止阀、止回阀
驱动操作 :
液压驱动、PLC电脑控制、按钮控制
连接方式 :
法兰式、焊接式、丝扣式、卡套式
荣获证书 :
新产品、国家专利等

概述 
JLT型立式阀门液压测试台是我公司自主研发的新一代立式液压阀门测试台并拥有发明技术专利知识产权,专利号ZL2016 1 0240324.1为解决广大使用单位如中石油、中石化、中海油、中国核电工程对阀门测试台的多类型选择使用需要,按照国家GB/T1 3927 — 92《通用阀门的压力试验》和 ZBJl6006 — 90《阀门的试验与检测》标准要求,设计制造立式阀门检测设备。本测试机技术先进、功能完善、结构灵巧、实用方便,适应各类高、中低压阀门及丝扣阀的密封强度等’性能的试验,本设备广泛用于阀门制造业和石油、石化、核电、化工等使用、阀门维修部门等单位的一种先进理想的阀门试验检测设备 ,主要试验阀门强度压力和阀门密封严密
工作原理及结构  
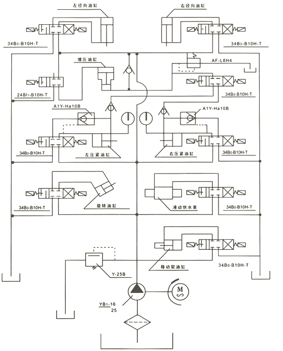
JLT型测试台由活动夹爪与液压油缸顶压相结合方法进行各种类阀门性能试验,对被试阀门无附加影响测试结果的外力,符合国家标准规定的阀门检测要求。该机结构分为液压系统,电器控制系统,工作台夹紧装置及液动供动装置与液体介质贮存循环使用系统等组成。工作台夹紧装置由液压油缸直接驱动来实现,使各夹爪受力均匀,夹紧可靠,夹紧装置的经向移动功能由液压油缸牵引连杆组成,实现各夹爪径向同步移动工作。工作台夹紧装置上端设立活动横梁、主柱。由横梁上液压油缸顶压未实现各品种不同的阀门强度试验。该机具有水、气、油密封性能和强度性能的试验。本机采用以阀门法兰端面做密封定位,由工作台上的径向移动夹爪来控制被试阀门法兰大小尺寸,再由轴向夹爪压紧阀门法兰背面装夹方法,来实现测试各类通径大小不同阀门的密封试验。 
 
使用注意事项和要求  
一、设备安装:校好设备安置水平或用混凝土固定底脚螺栓。
二、选用N32 — 46#普通液压油,N32 — 46#抗磨液压油或20 — 30#机械油,注入油箱,油量不能低干油位计下限
三、接通电源,按油泵启动按钮,检查电机转动方向,是否正确(顺时针方向)进行5 — 10分钟空载运转后,调节油泵压力在5.0MPa进行试机,各种动作,检查各管路有无泄汛,发现不良现象,应立即停机排除。
四、试验的介质:水具有方便,不污染环境等优点,因而应用广泛,要确保对被试阀门不会腐蚀及在测试机介质要求所需要。在水箱中,添加防锈剂或者常用油作试验介质。
五、测试阀门时,首先根据被试阀门试验压力,要求参照《压紧油缸所需压力对照表》中液压压紧系统压力值,进行增压压力调节,严禁增压压力值超高、防止被试阀门变形损坏。
六、液压供压水泵开始工作前,先调节好电接点压力表与被试验阀门压力相同,然后进行工作。 铸铁阀门不得用锤击,阀门在试验中,操作人员应注意安全,正确使用,特别注意测试铸铁阀门时介质压力过高破损,阀门试验完毕,应将阀门内压力排尽后才可放松轴向压机。
七、压力试验装置的压力表必须经当地计量部门鉴定合格其合格证应在有效期内,压力表的量程不能低干测试压力1 5倍,精度不低干 1.5级。
八、注意事项 
1测试台工作面应保持干;争、清洁、被试阀门的法兰与密封盘,不允许有其定杂物,时刻检查O形圈损坏。
2.测试台各部件的活动处,要经常加油,保持清洁润滑使用。 
3.液压油要定期检查、更换对新投入使用的设备,使3个月既清洗油箱,更换新油,以后每隔一年进行清洗和更换一次,油量不能低于油位计的下限,油箱内的油液温度不能超过55~C。 
 
 
  外观示意图 


使用操作方法 
 
  
一、被试阀门的装夹
测试前,将液压系统油泵压力调节在5 MPa,按夹紧装置的<径向后退>钮,把测试用的密封盘安放在工作台中心眼中,再将被测阀门放在密封盘上面,然后按<径向前进>钮,将夹爪靠近被试阀门法兰上,再按<轴向夹紧>按钮,然后根据被试阀门试验压力要求,对照“夹紧油缸所需压力对照表”按<轴向增压>按钮,来调节所需夹紧工作压力,即可进行各项密封性能试验。

二、阀门的测试
1、作液体密封测试时:
先将供压泵用的电接点压力表指针调节在所需试压压力位置上,关闭<气压开关>,然后打开<水压阀开关>, 按<水泵起动>钮,即可测试水密封性能的试验。测试完毕应先打开<泄压阀开关>排放压力后卸下被试阀门。

2、作气密封测试时:
将气源接至进气口上,关闭<水压阀开关>,打开<气压阀开关>并调节好用户自备气源压力,即可测试气密封性能的试验。测试完毕应先打开<泄压阀开关>排放气压后,再将被试阀门卸下。

3、测试阀门强度:
先将被试阀门放置在夹紧工作台密封盘中心。或进行夹爪夹紧,将另配密封盘安盖在被试阀门上端口。按<顶压压紧>钮,将上端口密封盘实现顶压,然后根据被试阀门试验压力要求,对照“压紧油缸所需压力对照表”按<顶压增压>钮,来调节所需工作压力(与1,2相同步骤方法)即可测试强度性能试验。


  液压系统原理图 

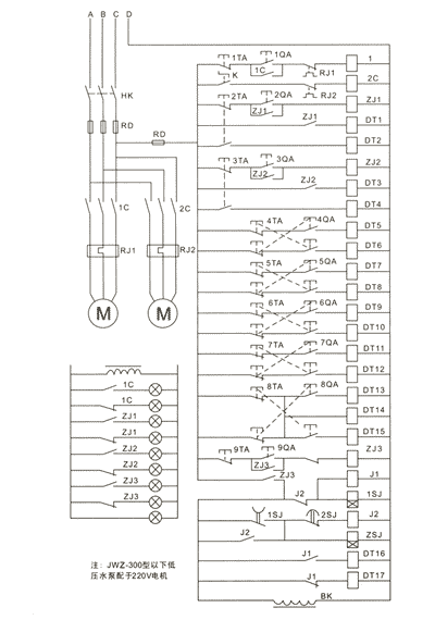
  电器原理图

  水气管路原理图 

 JLT型 立式頂压测试台压力范围图表

 
1  JLT-100型 阀门公称通径与公称压力试验范围
     The test range of valve nominal diameter and nominal pressure for JLT-100 model


2  JLT-200型 阀门公称通径与公称压力试验范围

     The test range of valve nominal diameter and nominal pressure for JLT-200 model

3 JLT-300型 阀门公称通径与公称压力试验范围

     The test range of valve nominal diameter and nominal pressure for JLT-300 model


  JLT型压力对照表



关于我们
关于我们
产品展示
电机壳测试台 阀门检测设备
新闻中心
企业动态 行业新闻
客户案例
给西安泵阀总厂定制扭矩/压力一体阀门试验台 中标某高端船舶装备阀门试验台项目 给中石油宁夏石化公司定制的安全阀试验台JLA-600完工(控制柜和液体接触部位采用304不锈钢材质) 大型试验台JWT-2000吨落户韩国庆州阀门基地 德国马格德堡阀业再次采购公司测试台
0577-21816666

周一至周五 08:30~17:30

浙ICP备09075701号-8